M320 - ESAME DI STATO
DI ISTITUTO TECNICO INDUSTRIALE
Indirizzo: ELETTRONICA
- TELECOMUNICAZIONI
Sessione ordinaria 1999
CORSO DI ORDINAMENTO
Tema di: ELETTRONICA
Sono
assegnati i circuiti di Figura 1 e Figura 2 e lo schema a blocchi di Figura 3.
Il
candidato, formulando di volta in volta tutte le ipotesi aggiuntive che può
ritenere necessarie, risponda ai quesiti appresso riportati.
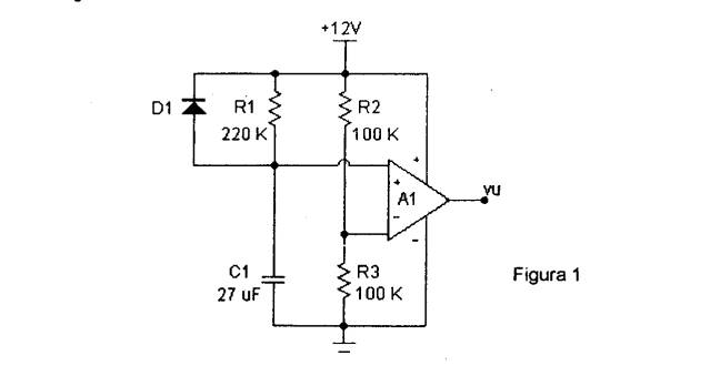
Relativamente alla Figura 1
descriva l'impiego dell'amplificatore
operazionale in applicazioni non lineari;
esponga, per il circuito suddetto, il
comportamento dall'istante in cui viene alimentato a quello in cui viene disalimentato determinando l'andamento transitorio nel tempo della tensione
d'uscita.
Relativamente alla Figura 2
considerando
ideali tutti i dispositivi impiegati, spieghi il funzionamento del circuito
evidenziandone la funzione raddrizzatrice per segnali anche di piccola
ampiezza.
Relativamente alla Figura 3, che rappresenta lo
schema a blocchi di un termometro analogico adatto ad operare nel campo di
temperature comprese tra 0 e 100 àC,
prospetti
una possibile soluzione circuitale per il convertitore tensione/corrente,
sapendo che la legge funzionale del sensore utilizzato è
Vs=K*T(K = 10 mV/°C)
e
che l'indicazione della temperatura avviene tramite un milliamperometro con
portata di fondo scala pari a 10 mA.
Durata massima della prova: 6 ore. E'
consentito l'uso di manuali tecnici.
Non è consentito lasciare l'Istituto
prima che siano trascorse 3 ore dalla dettatura del tema.
